

铸铁是指碳的质量分数大于2.14%或者组织中具有共晶组织的铁碳合金。工业上所有的铸铁是以铁、碳、硅为主要元素的多元合金。
铸铁的成分范围大致为:
w(C)=2.4~4.0%,w(Si)=0.6~3.0%,w(Mn)=0.2~1.2%,w(P)=0.04~1.2%,w(S)=0.04~0.20%及其他合金元素。
铸铁中的碳可能以渗碳体(Fe3C)或石墨两种独立的形式存在。
G-石墨;Fe3C-渗碳体

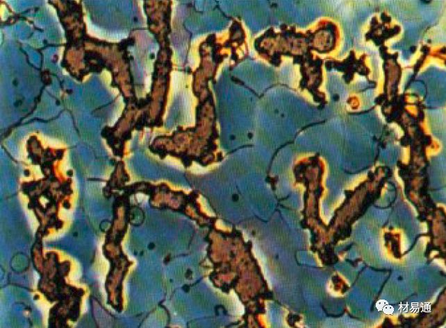
铸铁的分类方法较多,可按铸铁的使用性能、断口特征或成分特征进行分类,较常用和方便的是分为七大类。根据《GB/T 5612-2008 铸铁牌号表示方法》规定将铸铁分为5类。铸铁基本代号由表示该铸铁特征的汉语拼音字的第一个大写正体字母组成,当两种铸铁名称的代号字母相同时,可在该大写整体字母后加小写正体字母来区别。当要表示铸铁的组织特征或特殊性能时,代表铸铁组织特征或特殊性能的汉语拼音字的第一个大写正体字母排列在基本代号的后面。当以化学成分表示铸铁的牌号时,合金元素符号及名义含量(质量分数)排列在铸铁代号之后;在牌号中常规C、Si、Mn、S、P元素一般不标注,有特殊作用时,才标准其元素符号及含量;合金化元素的含量大于或等于1%时,在牌号用整数标注,数值的修约按GB/T 8170执行,小于1%时一般不标注,只有对该合金特性有较大影响时,才标注其合金元素符号;合金化元素按其含量递减次序排列,含量相等时按元素符号的字母顺序排列。当以力学性能表示铸铁的牌号时,力学性能值排列在铸铁代号之后,当牌号中有合金元素符号时,抗拉强度值排列于元素符号及含量之后,之间用“-”隔开;牌号中代号后面有一组数字时,该组数字表示抗拉强度值,单位为MPa;当有两组数字时,第一组表示抗拉强度值,单位为MPa,第二组表示伸长率值,单位为%,两组数字间用“-”隔开。Source:《GB/T 5612-2008 铸铁牌号表示方法》Source:《中国材料工程大典 第18卷 材料铸造成形工程(上)》碳是形成石墨的元素,也是促进石墨化的元素。含碳量越高,析出的石墨就越多、越粗大,而基体中的铁素体含量增多,珠光体减少;反之,石墨减少且细化。硅是强烈促进石墨化的元素。若铸铁中硅含量过少,即使含碳量很高,石墨也很难形成。硅除能促进石墨化外,还可改善铸造性能,如提高铸铁的流动性、降低铸件的收缩率等。硫在生铁中是有害元素,它强烈阻止石墨的形成,它促使铁与碳的结合,使铁硬脆,并与铁化合成低熔点的硫化铁,使生铁产生热脆性和降低铁液的流动性,固含硫高的生铁不适于铸造细件。铸造生铁中硫的含量规定最多不得超过0.06%(车轮生铁除外)。磷属于有害元素,但磷可是铁水的流动性增加。磷的存在可使铁增加硬脆性,优良的生铁含磷量应少,有时为了要增加流动性,含磷量可达1.2%。Source:《中国材料工程大典第18卷材料铸造成形工程(上)》(2005)Source:《铸铁牌号与金相图谱速用速查及金相检验技术创新应用指导手册》(2005)灰铸铁的金相组织由金属基体和片状石墨组成。金属基体的种类主要由珠光体、铁素体及珠光体+铁素体。石墨片以不同的数量、大小、形状分布于基体中。此外还有少量非金属夹杂物,如硫化物、磷化物。各灰铸铁牌号的金相组织
Source:《GB/T 7216-2009 灰铸铁金相检验》、《灰铸铁中石墨的分类及检验》A型(直片状)石墨是亚共晶灰铁在较高共晶度(碳饱和度或碳当量)且过冷度不大时的正常、均匀分布也是最常见的石墨组织,它对金属的割裂作用较低同时具有这种石墨的铸铁珠光体含量高,故强度和耐磨性好。通常,A型石墨应占石墨总量的90%以上。B型(玫瑰花状)石墨常出现在高共晶度(接近共晶点)同时过冷度大的灰铁中,因过冷度大使开始形成的细小石墨共晶生长较快且呈辐射状,随即因结晶潜热的释放生长变慢而呈条状,最终长成的石墨的立体形状近似玫瑰花,其心部石墨细小且密集因此导致铁素体的产生,故对铸铁性能不利。通常允许有少量B型石墨存在。C型(粗大厚片或块状)石墨是过共晶灰铁的典型石墨。因为是在液态下生成的初析厚大石墨且往往相互连接或相距极近,加以周围常为铁索体(因碳硅量高,共析转变按稳定平衡模式进行),故铸铁的性能大幅度下降。因为灰铸铁大都是亚共晶的,故任何级别的灰铁中都不允许有C型石墨出现(活塞环和某些制动鼓盘除外)。但要注意的是有的冲天炉铁液熔炼温度不高又用低牌号生铁时,也会出现类似于C型的粗大石墨。D型(枝晶点状)石墨大都出现在共晶度低和(或)过冷度大的铸铁组织中,例如铸件薄断面或高强度(级别)铸件较薄的组织中。因为产生的原因是铁液过冷度大,故又称为过冷石墨,过冷石墨常伴生过冷铁素体加以其分布不均(呈枝晶点状)故对铸铁性能不利。在铸件较薄的部位一般允许有不超过5%的过冷石墨存在。在高牌号铸件生产中常常选择低的碳当量来保证获得奥氏体树枝晶和D型石墨,从而提高强度。E型(枝晶片状)石墨也是一种过冷石墨,是在过冷度比产生D型石墨更大时形成的,因此其分布更不均,方向性也更明显,对铸铁的性能也更加不利。E型石墨存在于碳含量较低的亚共晶成分的铸件中,铁液凝固时,先析出树枝状奥氏体初晶,余下的铁液发生共晶转变,一部分转变为D型或A型,另一部分在奥氏体的二次分枝间呈方向性排列即为E型。E型石墨是亚共晶铁液在比形成D型石墨更小的过冷度下形成的,所以石墨片较D型要长。E型石墨不会单独出现,它常同D型、A型石墨共生。一般一个金相视场中E型石墨所占面积比例不超过20%。E型石墨使铸件性能呈方向性,生产中应加以控制。F型(星形)石墨,同C型石墨一样,F型石墨也是初生石墨,是过共晶成分的铁液在很大的过冷度下形成的(C型石墨是在小的过冷度下形成的),常出现在高碳薄壁铸件中。由于是过共晶成分,所以铁液冷却时析出初生石墨,又由于冷却太快,初生相不易长大,而是分叉生长成星状,然后剩余液相发生共晶转变,一般生成A型。F型石墨在通常铸件中很难见到,在活塞环等高碳铸件上常出现;另外,添加合金硼的铸件上常会出现F型石墨。灰铸铁的金属基体与碳钢相比一般明显区别,但由于灰铸铁内的Si、Mn含量较高,其能溶解于铁素体中使铁素体得到强化,硅的作用更大些。因此铸铁中的金属基体部分的强度性能比碳钢的要高。珠光体的数量和分散度与铸铁共析转变时的过冷度有关。过冷度越大(如降低碳当量,增加冷却速度),则珠光体的比例越高,分散度也越大。普通灰铸铁的金属基体是由珠光体与铁素体按不同比例组成,其分布特征是铁素体大多出现在石墨的周围,高强度灰铸铁则主要是珠光体基体或索氏体基体。此时,渗碳体与铁素体的片间距很小(一般小于0.3~0.8 μm),要放大400倍以上才能分辨出来。由于这种层状组织排列紧密,因此其σb及硬度值也就较高。球墨铸铁是指用球化剂处理铁液后,石墨呈球状的铸铁。球墨铸铁的正常组织是细小且圆整的石墨球加金属基体。在铸态条件下,金属基体通常是铁素体与珠光体的混合组织,由于二次结晶条件的影响,铁素体通常位于石墨球的周围,通过不同的热处理手段,可很方便地调整球墨铸铁的基体组织,以满足各种服役条件的要求。球墨铸铁的金相组织:G+F体、G+P体、G+F体+P体等,直接决定这球状铸铁的力学性能。球状石墨外貌近似球形,内部呈放射状,有明显的偏光效应。经深腐蚀显露出的球状石墨的立体形貌,可在SEM下直接观察。经透射电镜(TEM)观察表明,石墨球是由许多角锥体组成的多晶体,石墨球面则是由许多石墨基面(0001)沿切面排列组成,每个角锥体的基面垂直于石墨球的直径,石墨的C轴呈辐射状指向球心。球墨铸铁中允许出现的石墨形态,除了主要是球状石墨以外,还可以有少量的非球状石墨,如团状、团絮状。根据《GB/T 9441-2009》规定,石墨为球状(Ⅵ型)和团状(V型)石墨个数所占石墨总数的百分比作为球化率,将球化率分为6级。石墨大小也分为6级。(1)基体中含有80%以上的铁素体,而其余部分是珠光体。具有这种基体组织的球墨铸铁最软,强度也比较低,但是韧性很好,可以抵抗冲击力的作用。(2)基体中含有20%~50%的珠光体组织,其余部分是铁素体。(3)基体中含有50%~90%的珠光体组织,其余部分都是铁素体组织。(4)含有90%以上的珠光体,余下的小部分(10%以下)是铁素体,具有这种组织的球墨铸铁,强度最好,软硬也适宜,这是最希望得到的组织。(5)基体中除了含有珠光体和铁素体组织外,还有莱氏体组织,莱氏体所占的比例在10%~20%,它散布在基体的各个部分。莱氏体很硬、很脆,它的含量越多,球墨铸铁也就越硬、越脆。(6)基体组织中全部是莱氏体和珠光体,而且莱氏体已经在整个基体组织中占据着主要地位,具有这种组织的球墨铸铁,硬到很难加工,而且很脆,根本达不到球墨铸铁应有的性能。在球墨铸铁中,珠光体的形态一般分为4种:粗片状珠光体、中片状珠光体、细片状珠光体和粒状珠光体。球墨铸铁基体组织中珠光体数量增多,铁素体量减少,可使球墨铸铁的强度提高而伸长率下降。当球墨铸铁成分中含有较多稳定奥氏体元素如Ni、Mn时,在铸态下即可获得奥氏体基体;铸铁经奥氏体化处理后在上贝氏体转变温度等温淬火,可形成上贝氏体+高碳奥氏体组织(30%~40%)。上贝氏体为羽毛状组织,由晶界向晶内平行排列,奥氏体分散分布在晶界附近;铸铁经奥氏体化处理后在下贝氏体转变温度等温淬火,可形成下贝氏体、残余奥氏体及马氏体,石墨周围以下贝氏体为主,呈细针状交叉分布,比淬火马氏体细,且易受浸蚀,远离石墨在晶界附近分布少量奥氏体及马氏体。当球墨铸铁经奥氏体化加热后,快速冷却至Ms点以下,所获得的组织淬火马氏体,呈白色针叶状交叉或成排分布;淬火马氏体经230~350℃低温回火后的组织为回火马氏体,易受浸蚀,呈墨色针叶状;淬火马氏体经350~500℃中温回火后组织为回火托氏体;淬火马氏体经500~650℃高温回火(调质处理)后的组织为回火索氏体。磷共晶在球墨铸铁中的危害远比灰铸铁中大,它使铸铁的硬度提高,而塑性和韧性大幅度降低。因此在球墨铸铁中应降低磷共晶体的数量。渗碳体在球墨铸铁中呈针状、条状或以莱氏体存在,易使球墨铸铁变脆,因此生产中应尽量避免其出现。蠕墨铸铁的金相组织中具有蠕虫状石墨。铸铁液经蠕化处理后可得到具有蠕虫状石墨的蠕墨铸铁,方法为浇注前向铁液中加入蠕化剂,促使石墨呈蠕虫状。蠕虫状石墨的形态介于片状与球状之间,所以蠕墨铸铁的力学性能介于灰铸铁和球墨铸铁之间,其铸造性能、减振性和导热性都优于球墨铸铁,与灰铸铁相近。蠕墨铸铁的石墨形态是蠕虫状和球状石墨共存的混合形态。蠕虫状石墨是介于片状石墨及球状石墨之间的中间状态类型石墨,她既有在共晶团内部石墨互相连续的片状石墨的组织特征,又有石墨头部较圆、其位向特点和球状石墨相似的特征。用扫描电子显微镜对其立体形貌进行观察,可见石墨的端部具有明显的螺旋生长特征,这与球状石墨的表面形貌相类似,但在石墨的枝干部分,有类似于片状石墨的层叠状结构。蠕墨铸铁的力学性能和物理性能取决于石墨的蠕化状态及基体组织等因素,其中尤以石墨的蠕化状态影响最大。蠕墨铸铁中的石墨的主要为蠕虫状石墨(Ⅲ型),以及少量球状石墨(Ⅵ型)和团状、团絮状石墨(Ⅳ、Ⅴ型)存在,不允许出现片状和细片状石墨(Ⅰ、Ⅱ型)。蠕化率是评定石墨是否受到良好蠕化的指标。根据《GB/T 26656-2011 蠕墨铸铁金相检验》,蠕化率分为8级,蠕化率按面积法计算:蠕化率=[(∑A蠕虫状石墨)+0.5∑A团状、团絮状石墨)/∑A每个石墨]×100%式中A蠕虫状石墨—蠕虫状石墨颗粒的面积,A团状、团絮状石墨—团状、团絮状石墨颗粒的面积,A每个石墨—每个石墨颗粒。蠕墨铸铁的基体组织在铸态下具有较高的铁素体含量(体积分数常有40%~50%或更高),这主要是由于石墨的特征及元素偏析分布的特点所造成,可通过加入稳定珠光体元素使铸态的珠光体体积分数提高到70%左右,如再进行正火处理,可使珠光体体积分数进一步提高到80%~85%。可锻铸铁根据化学成分、热处理工艺而导致的性能和金相组织的不同分为两类,第一类:黑心可锻铸铁和珠光体可锻铸铁,黑心可锻铸铁的金相组织主要是铁素体基体+团絮状石墨;珠光体可锻铸铁的金相组织:主要是珠光体基体+团絮状石墨;第二类:白心可锻铸铁,白心可锻铸铁的金相组织取决于断面尺寸,一般是外层铁素体+中心少量珠光体+团絮状石墨。可锻铸铁中的石墨形状有球状、团絮状、絮状、聚虫状和枝晶状等5种。在可锻铸铁中,石墨通常不以单一形状出现。鉴于石墨形状对力学性能的影响,分为5级,石墨分布分为3级,石墨颗数分为5级。Source:《GB/T 25746-2010 可锻铸铁金相检验》通常可锻铸铁的基体组织为铁素体和珠光体,由淬火或等温淬火获得马氏体或贝氏体基体的零件很少。铁素体可锻铸铁中珠光体残余量分为5级。珠光体形状有片状和粒状两种,以片状为常见。可锻铸铁坯件经过高温石墨化,渗碳体已全部或大部分分解。渗碳体残余量的体积分数以2%为界,分为2级。普通白口铸铁中一般不含或只含少量合金元素,其组织中不含石墨,仅由珠光体和渗碳体组成。较多情况下,普通白口铸铁的共晶组织是莱氏体,而有时候渗碳体是板条形。碳化物是白口铸铁中的重要组成相,所占体积分数可高达40%左右,其类型、成分、数量、大小、形状及分布对白口铸铁的性能有重要影响。一般M3C型碳化物为连续网状或板状形貌,而M7C3和M23C6型碳化物为条状或条块状形貌。Source:《GB/T 8263-2010 抗磨白口铸铁件》Source:《GB/T 9439-2010 灰铸铁件》Source:《GB/T 1348-2009 球墨铸铁件》Source:《GB/T 26655-2011 蠕墨铸铁件》Source:《GB/T 9440-2010 可锻铸铁件》Source:《GB/T 9440-2010 可锻铸铁件》
Source:《GB/T 8263-2010 抗磨白口铸铁件》

